appareils ambiants, appareils ambiants chauffage électrique, appareils ambiants eau chaude
appareils ambiants, appareils ambiants chauffage électrique, appareils ambiants eau chaude
RIDEAUX D'AIR, AEROTHERMES, GRILLES ACOUSTIQUES
RIDEAUX D'AIR, AEROTHERMES, GRILLES ACOUSTIQUES

Aérotherme NEVADA JET

L'aérotherme à buses Nevada JET est un appareil capable d'assurer un confort thermique optimal pour tous les espaces, conçu notamment pour les grands espaces. Il répond à toutes les exigences : une distribution optimale de l'air chaud, une perte de chaleur minimale et une régulation entièrement automatisée. Ses caractéristiques sont particulièrement adaptées aux commerces, aux locaux industriels et aux entrepôts, où les produits standard pourraient être inefficaces.

 

 

 

 

Version : Chauffage sous plafond : Eau chaude

Ventilateurs : EC

Puissances disponibles : 4

Débit d’air : 1 300 – 8 300 m³/h

Régulation : Smart

Couleur standard : RAL 9010

 

 

L’aérotherme est équipé d'un puissant ventilateur EC et de buses orientables qui redistribuent ll'air chaud du plafond au sol. Grâce à la couverture thermique importante de l'unité Nevada JET, le nombre d'appareils requis dans cet espace est inférieur à celui des unités de chauffage classiques.

De plus, les buses orientables agissent comme un déstratificateur.

 

Description :

 

• Construction légère et autoportante en acier galvanisé peint en RAL 9010

• Diffuseurs haute performance répartissant efficacement le flux d'air dans six directions

• Ventilateurs EC haute performance et silencieux, statiquement et dynamiquement balancé avec thermocontact intégré pour éviter la surchauffe

• Échangeurs de chaleur Cu/Al puissants à 3 et 4 voies pour une pression maximale de 90°C/1,6 MPa

• Deux options de régulation entièrement automatique

• Suspension sous plafond

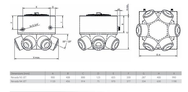
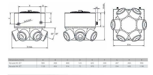
Dimensions aérothermes NEVADA JET

Vous avez des questions ?

Contact commercial :
Sylvain MARILLIER

 

Téléphone :+33 (0)6 20 66 27 51

sylvainmarillier@airkalia.com

Actualités

Airkalia réduit la nuisance sonore...

Afin de réduire la nuisance sonore dans les espaces d'accueil, les rideaux d'air Airkalia sont dotés de 10 allures de ventilation réglables sur mesure facilement et rapidement. Cela permet ainsi d'adapter le rapport performance / son à chaque environnement particulier...